Specification
Product Overview
The NM200 series electromagnetic flowmeter is a major flow meter consisting of a sensor and a converter. It operates based on Faraday’s law of electromagnetic induction and is used to measure conductive liquids or two-phase media. Its conductivity is generally required to be greater than 5 uS/cm (the original conductivity of tap water is about 100-500uS/cm). It can be used to measure various acid, alkali, salt solutions, pulp, slurry and other media, but the media should not contain a lot of ferromagnetic substances and a large number of bubbles.
Applicable fields
Widely used in industrial sectors and cities such as petroleum, chemical, metallurgical, textile, papermaking, environmental protection, food, etc
Fluid measurement in fields such as political management and water conservancy construction.
Product Features
Measurement is not affected by changes in fluid density, viscosity, temperature, pressure, and conductivity;
-The sensor with unobstructed flow components, no pressure loss, and low requirements for straight pipe sections can be equipped with a grounding electrode to achieve good instrument grounding;
-It has the function of measuring positive/negative bidirectional flow;
-The converter adopts a liquid crystal backlight display, which makes it easy to read under direct sunlight or in a dark room. The converter can simultaneously display the volume flow percentage, actual flow rate, and cumulative flow rate;
-Installed on the pipe, the display screen rotates ≤ 90 ° with the standard (type) to improve the visibility of the integrated flowmeter;
The converter has functions such as self diagnostic alarm output, empty load detection alarm output, flow upper and lower limit alarm output, and two-stage flow value output.
Technical Specifications
- Caliber: DN10mm – DN1000mm
- Measuring liquids: conductive liquids, slurries
- Conductivity: ≥ 51S/cm
- Accuracy: ± 0.5% of indication, ± 0.3% of optional indication, ± 0.2%
- Measurement range: 1500:1 Flow rate setting: 0.1~<15m/s
- Electrode materials: stainless steel 316L, platinum iridium, Hastelloy, tantalum, titanium, chloroprene rubber
- Polytetrafluoroethylene (PTFE)
- Structural form: integrated type, split type
- Lining material: Perfluoroethylene propylene (FEP), polyurethane rubber
- Shell material: Carbon steel (standard), stainless steel (non-standard customized)
- Medium temperature: -40 ° C~+180 ° C, limited by the temperature resistance characteristics of the lining material
- Environmental temperature: -25 ° C~+60 ° C
- Environmental humidity: 5~100% RH (relative humidity)
- Shell protection level: IP65, IP68
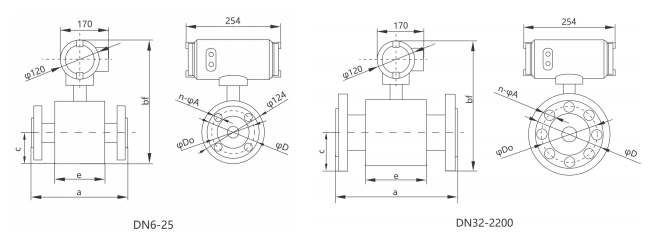
Dimensional drawing (mm)

Table of Contents
Talk With Us
- [email protected]
- +86 180 5512 0225
- +86(0551)-65501008
- Address: 206, Block B, No. 2 Tianda Road, High-tech Zone, Hefei City, Anhui Province, China
- We will respond to you within five minutes.






