Explosion-proof target type flow switch NK01BS
- Brand:NOIKE-AH
- Model:NK01BS
Specification
The NK01BS direct explosion-proof flow switch is an upgraded version of NK01B explosion-proof, with a built-in spring supported baffle. When the flow reaches the preset value, the mechanical structure triggers the micro switch. Online installation, good repeatability, anti pollution ability, and switch value setting through knobs.
Principle characteristics
Gas liquid dual-use, industrial automation/mechanical equipment/air compression industry/refrigeration and air conditioning/fire protection industry/petrochemical industry and other industries with special protection requirements.
Product application
Water, oil, and gas
Technical Parameters
- Setting range: see the table below for details
- Repeatability: ± 2.5% of total range
- Wiring method: Terminal wiring
- Output: normally open+normally closed (250VAC, 3A)
- Pressure resistance: 100bar
- Average pressure loss: 0.08 bar (at maximum flow rate)
- Medium temperature: 250 ° C
- Protection level: IP67
- Materials
- Main body: stainless steel
- Process connection: stainless steel
- Connecting rod: stainless steel
- Shield: Stainless steel
- Shell: Stainless steel explosion-proof junction box
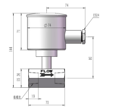
Dimensional drawing (mm)

Installation diagram

Wiring diagram

Table of Contents
Talk With Us
- [email protected]
- +86 180 5512 0225
- +86(0551)-65501008
- Address: 206, Block B, No. 2 Tianda Road, High-tech Zone, Hefei City, Anhui Province, China
- We will respond to you within five minutes.






