Specification
Principle structure
Thermal principle, gas mass flowmeter, display direction can be reversed 180 °. Easy to set and view 4-digit LED display.
Technical Specifications
- Display accuracy ± 3% F.S
- Repetitive accuracy ± 1% F.S
- Electronic display of instantaneous flow rate
- Accumulated traffic viewing function
- NPN/PNP output function with switch output
- Analog quantity: Voltage output of 1-5V
- Analog quantity: current output 4~20mA
Product button instructions

Wiring Diagram

Dimensional drawing (mm)


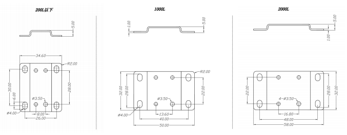
Mounting Bracket

Table of Contents
Talk With Us
- [email protected]
- +86 180 5512 0225
- +86(0551)-65501008
- Address: 206, Block B, No. 2 Tianda Road, High-tech Zone, Hefei City, Anhui Province, China
- We will respond to you within five minutes.







