Specification
Product Overview
The NT53D intelligent digital pressure gauge is a high-precision intelligent digital pressure gauge with a built-in high-precision pressure sensor, which can accurately display pressure in real time and has the characteristics of high accuracy and good long-term stability. This digital pressure gauge is equipped with a large-sized LCD display, which has multiple functions such as reset, backlight, power on/off, unit switching, low voltage alarm, etc. It is easy to operate and easy to install.
The product adopts a 304 stainless steel shell and joint, which has good seismic resistance and can measure media such as gas, liquid, oil, etc. that are non corrosive to stainless steel.
The NT53D intelligent digital pressure gauge is suitable for portable pressure measurement, automation equipment matching, pressure vessels and other measurement fields.
Product Features
- Intuitive digital pressure value display
- Strong anti-interference ability and vibration resistance
- Multiple pressure units adjustable
- Good stability and long lifespan
- Support zero calibration and backlight function
- Simple operation panel, easy to install
- Lightweight, non scaling, and non polluting medium
Technical Specifications
- Measurement range: -10… 60MPa
- Overload range: maximum range x 1.5
- Power Supply Voltage: Battery Powered
- Pressure units: MPa, BAR, KPa, PSI
- Accuracy level: 1 F.S, 0.5 F.S
- Display element: 4-digit LCD
- Medium temperature: -20… 80 ℃
- Environmental temperature: -20… 60 ℃
- Storage temperature: -20… 70 ℃
- Installation method: threaded connection
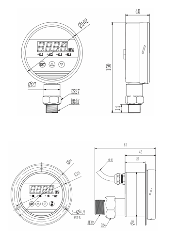
Dimensional drawing (mm)

Table of Contents
Talk With Us
- [email protected]
- +86 180 5512 0225
- +86(0551)-65501008
- Address: 206, Block B, No. 2 Tianda Road, High-tech Zone, Hefei City, Anhui Province, China
- We will respond to you within five minutes.




